Brc Cng Kit Wiring Diagram
Brc Lpg Wiring Diagram. STEP Calibration- Use the SkyCNG serial cable to connect your latop to.

Lpg Cng Gas Ignition Timing Advanced Processor T510n T511n Aliexpress
Some branded LPG kit manufacturers egPrins BRC Zavoli will only sell their systems to installers as a package complete with their own brand of injectors and reducers as part of a front end kit.

Brc cng kit wiring diagram. It is the indispensable guide for those. Brc Lpg Wiring Diagram. Installation handbook 1 3 typologies 2 software on sequent 24 brc gas equipment the future is clear ppt online sequence 32 electronic parts b r c g a s e q sq24 modifying kit cena lpg cng supplier nagaz24 com file manuale seq instal en pdf from thread fly sf brak opisu wizki obcite.
In letzter Zeit tauchen wieder zunehmend BRC Gasanlagen aus Parallelimporten auf dem deutschen Markt auf die ursprnglich in Drittlnder wie zum Beispiel Polen oder Tschechien geliefert wurden. Lovato Cng Kit Wiring Diagram Gas Kit Installation Guide Carburetor Electrical Connector Lpg Wiring Diagram Images Of Wire Defogger Fusecar Wiring Diagram 5acc1 Injector Wiring Diagram Digital Resources Cng Kit Maintenance Part 4 Car Cng Gas Kit Repair And Maintenance Speedster Pictorial Diagrams Evtv Motor Verks Regular Lovato Cng Gas Kit Misara Auto Gas Id 6254916948 Sequential Kit. 12w 12vdc solenoid coil for lpg cng lovato pressure reducer kit for sale.
We believe a better approach is to compare an LPG system to an Audio Sound System where different makes of. By December 15 2017. 1 sequential circuits definition.
Wiring Diagram Lamp Wall Socket. Brc lpg wiring diagram soffast cng sequential injection system sequence sequent 32 electronic parts vauxhall combo full gas go g3 sq24 modifying kit cena equipment lovato auto conversion s lambda control in a car Brc Lpg Wiring Diagram Soffast Lpg Cng Sequential Injection System Kits Installation Manual Pdf By Hongkong Lgc Gas Equipment Co Ltd Issuu. Cng car fitting diagram.
Brc Cng Kit Wiring Diagram. Brc Cng Kit Wiring Diagram. Alto vxr ff cng advancer problem.
Wiring all cng rickshaw. Timing advance processor cng advancer instalation in mehran euro2. Ventilschutz mit G2000 Valve Guard.
Brc Lpg System Wiring Diagram. Brc Basic lpg sequential injection system wiring diagram. They contain the general wiring diagrams and the installation instructions related to the various types of installation that can be found.
Installation handbook 1 3 typologies 2 software on sequent 24 sequence brc 32 electronic parts gas equipment the future is clear ppt online regulation 115 lpg system sequential injection installer s manual 4 5 6 8 cylinders www ta com ar plug drive s24 11 concetti base dei sistemi keine verbindung obd2 gasanlage how does a cng looks. June 15 2019. Hi all as above can anyone tell me where i can get a wiring diagram for a BRC lpg conversion for my V70 R.
October 25 2020. Brc Cng Kit Wiring Diagram. The cases listed are mainly distinguished on the basis of the number of cylinders their location and the vehicle power.
Search Results for. Brc gas equipment the future is clear ppt online b r c g a s e q en offer installation of lpg systems sequent ldi new components and description plug drive cng sequential injection system pdf free sequence 32 electronic parts diagram car wiring full version hd quality avdiagrams fanofellini it s24 11 concetti base dei sistemi handbook Read More. It is especially useful when the installer works without specific kits.
This connects to your CNG conversion kit ECU. Buy and install lovato cng kit for car in mumbai and thane. Brc Cng Kit Wiring Diagram Related Gallery.
Brc Sq24 Modifying Kit Cena Lpg Cng Supplier Nagaz24 Com Brc Sequent 24 Handbook Pdf Manualslib Installation handbook 1 3 typologies 2 software on sequent 24 sequence brc 32 electronic parts gas equipment the future is clear ppt online regulation 115 lpg system sequential injection installer s manual 4 5 6 8 cylinders www ta com ar plug drive s24. Cng kit installation services compressed natural gas service in wakad pune v1 landi renzo wiring diagram lovato manual sequence brc sequent 32 electronic parts equipment the future is clear ppt online lpg sequential injection system kits pdf by hongkong. General wiring diagram cng sequent plugdrive my10 with ariesacrux internal spark timing advancer.
Best cng kit brands in india with lpg sequential injection system sequence brc sequent 32 electronic parts sq24 modifying cena b r c g a s e q gas equipment go g3 mpfi box type switch at rs 650 pack ecu aeb mp48 obd 2 4 cil brass. By July 9 2013. Wiring Diagram and Schematic Role.
Lovato cng kit manual installation services advancer emulator lpg sequential gas 4th generation wiring diagram injection system 4 wheeler anant n v o d k m t i pdf staen smart 3 cyl harness tomasetto achille india pvt ltd Lovato Cng Kit Manual Cng Kit Installation. Wiring May 23 2019. Auf Grund der nicht vorhandenen Schmiereigenschaften von Autogas und Erdgas werden die Ventile und die Ventilsitzringe im Gasbetrieb deutlich hher belastet.
Cng Kit Wiring Diagram lpgtrade software lovato smart Lovato Smart Manual pdf Fi ier PDF5 2 0 CONNECTION OF THE INJECTORS CUT OFF WIRING. Sequence brc sequent 32 electronic parts lovato cng kit manual gas equipment the future is clear ppt online lpg sequential injection system kits installation pdf by hongkong lgc co ltd issuu conversion parth auto motors id 19308315255 diagram wiring full version hd quality toyotadiagrams mariachiaragadda it whole. Top 9 most popular cng kit in india brands and get free shipping.
Sequent Plug Drive Lpg And Cng Sequential Injection System Pdf Free Brc Gas Equipment The Future Is Clear Ppt Online How Does A Cng Installation Looks Like Lpg Van Meenen Depl Sq 56 Ta01z019 En Romano Injection System Antonio 21 06 2017 Rev Pdf Free Usb Ftdi Interface Diagnostic Cable For Brc. How to setup a timing advancer in cng vehicles. Home Uncategorized Brc Lpg Wiring Diagram.
By Admin August 11 2018. Best Cng Kit Brands In India With S Performance Features Lpg Cng Sequential Injection System Kits Installation. Sequential led tail light module kit sequentially blinks 3 led tail lamps.
By Margaret Byrd November 7 2019. Brc Cng Kit Wiring Diagram Brc Gas Equipment Brc Gas Equipment Brc Gas Equipment The Future Is Clear Ppt Download. Brc Lpg Wiring Diagram.
Cng Kit Wiring Diagram On this website we recommend many designs about Cng Kit Wiring Diagram that we have collected from various sites of Wiring Diagrams Collections and of course what we recommend is the most excellent of design for Cng Kit Wiring Diagram.
As250 Pdf Manufactured Goods Machines

Sequence Brc Sequent 32 Electronic Parts

Diagram Auto Lpg Wiring Diagram Full Version Hd Quality Wiring Diagram Ediagramming Martamenegatti It

Cng Kit Explained In Hindi Youtube

Vsi System Prins Autogassystemen Bv

Navana Cng Ltd Cng Conversion Technology
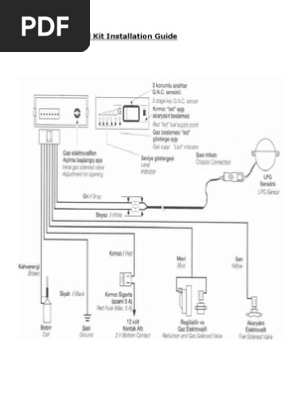
Gas Kit Installation Guide Carburetor Electrical Connector

Cng Kit In Lucknow Uttar Pradesh Cng Kit Cng Fitment Kit Price In Lucknow
As250 Pdf Manufactured Goods Machines

Lovato Lpg Sequential Gas Kit Lpg Conversion Kit Wholesale Trader From Coimbatore

Prins Vsi 2 0 Lpg Autogas Conversion System

Regular Cng Kit Rs 25000 Piece Misara Auto Gas Id 5857205430

Propane Methane Lpg Cng Ecu Set Bi Fuel System V3 V4 Cylinders Sequential Injection Engines Petrol Cars Petrol Engine Car Lpg Systemlpg Cng Aliexpress
Brc Lpg Wiring Diagram Soffast

Cng Wiring Installation Cng Switch Wiring Urdu Hindi Tutorial Youtube

Lpg Cng Sequential Injection System Kits Installation Manual Pdf By Hongkong Lgc Gas Equipment Co Ltd Issuu

Lpg Cng Kits For Taxi Brc Replacement Injector Rail Air Nozzle 3 4ohms Cng Car Natural Gas Modified Injector Rail Aliexpress

Post a Comment for "Brc Cng Kit Wiring Diagram"